JY系列圓形電連接器
發布時間:2023-04-15 | 點擊量:1862
詳細說明:
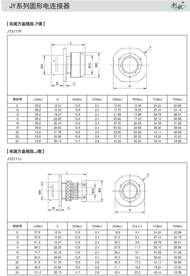
符合GJB598(MIL-C-26482)Ⅰ系列,卡口式快速連接,接觸件端接焊接,體積小、密度高、耐環境好,廣泛適用于各類軍用、民用設備中。















<
上一篇:沒有了
下一篇:YGD系列電源電連接器
>




